起订:2000个
供应:260000000个

































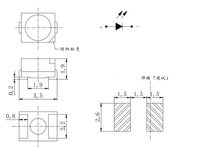
【LED使用注意事项 】:
一、静电防护
1、 接触LED产品的工作台应铺上防护电胶布,并且将其可靠接地;
2、 人员在接触LED时须戴好静电手环(**好为有线静电环)、防护手套,条件允许时**好穿上防静电 衣服、静电鞋以及静电帽;
3、 应用加工过程中接触到LED的机器设备都必须可靠接地,如:烙铁、剪脚机、弯脚机以及焊接设备 等。有条件还可以安装等离子风扇消除静电;
4、 在使用中或在设计电子电路时,必须考虑过大的电流对LED的危害
















